A.![]() | B.![]() |
C.![]() | D.![]() |
| A.α粒子散射实验 | B.光电效应实验 |
| C.光的单缝衍射实验 | D.光的双缝干涉实验 |

| A.逸出的粒子带正电 |
| B.改变光束的频率,金属的逸出功随之改变 |
| C.减小光束的光强,逸出的粒子初动能减少 |
| D.减小光束的频率,金属板 |
| A. | B. | C. | D. |
| A. | B. | C. | D. |
| A.2×1015 | B.2×1016 |
| C.2×1017 | D.2×1023 |

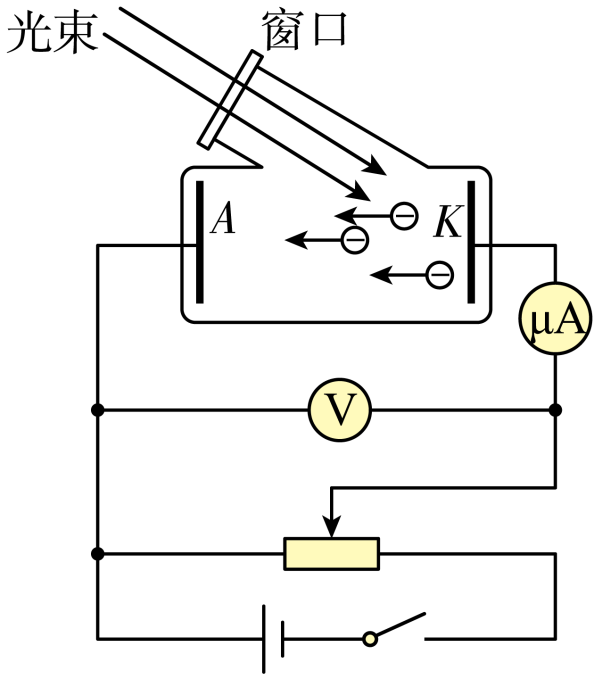
| A.该光电管阴极的截止频率为a |
| B.断开开关S后,电流表G的示数为零 |
| C.普朗克常量为h= |
| D.仅增大入射光的光强,则遏止电压也随之增大 |
| A.一般物体辐射电磁波的情况只与温度有关 |
| B.冷的物体只吸收电磁波 |
| C.能量子的能量不是任意的,其大小与电磁波的频率成正比 |
| D.在黑体辐射实验中,随温度升高,辐射强度的极大值向波长较长的方向移动 |
| A.只有一部分物体辐射电磁波 | B.一般物体辐射电磁波的强度与温度无关 |
| C.黑体不可以向外辐射电磁波 | D.黑体能够完全吸收入射的各种波长的电磁波 |

| A.入射光的频率ν不同时,截止电压Uc不同 |
| B.入射光的频率ν不同时,Uc-ν图像的斜率不同 |
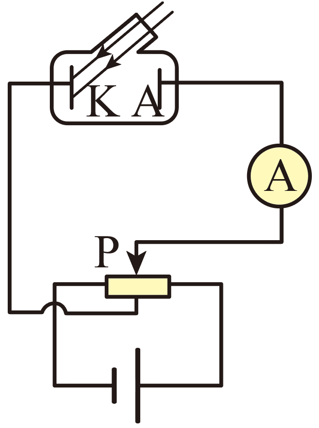
| C.图甲所示电路中,当电压增大到一定数值时,电流表的示数将达到饱和电流 |
| D.只要入射光的光照强度相同,光电子的最大初动能就一定相同 |

| A.增大单色光的强度,电流表的示数将增大 |
| B.滑片P向左移,电流表示数将减小,甚至为零 |
| C.滑片P向左移,电流表示数将增大 |
| D.入射的单色光的频率必须大于阴极材料的截止频率 |

| A.若减小入射光强度,电路中可能没有光电流 |
| B.若增加电路中电源电压,电路中光电流可能先增大后不变 |
| C.若将电源极性反接,电路中一定没有光电流产生 |
| D.若换用波长为λ1(λ1>λ0)的光照射阴极K,电路中一定没有光电流 |
| A.辐射强度增大,辐射强度的极大值向波长较长的方向移动 |
| B.辐射强度增大,辐射强度的极大值向波长较短的方向移动 |
| C.辐射强度减小,辐射强度的极大值向波长较长的方向移动 |
| D.辐射强度减小,辐射强度的极大值向波长较短的方向移动 |
| A.物质发射(或吸收)能量时,能量不是连续的,而是一份一份进行的 |
| B.能量子假说中将每一份能量单位,称为“能量子” |
| C.能量子假说中的能量子的能量 |
| D.能量子假说认为能量是连续的,是不可分割的 |
| A.色光c的频率最小、光强最大 |
| B.色光a的频率最大、光强最弱 |
| C.若色光b的强度减为原来的一半,则可能不再会发生光电效应 |
| D.色光a产生照射时,光电子的初动能最大 |

A.![]() | B.![]() |
C.![]() | D.![]() |


| A. | B. |
| C. | D. |

| A.玻璃对b光的折射率大 |
| B.c光子比b光子的能量大 |
| C.此现象是因为光在玻璃砖中发生全反射形成的 |
| D.减小a光的入射角度,各种色光会在光屏上依次消失,最先消失的是b光 |
| A.在光照条件不变的情况下,随着所加电压的增大,光电流趋于一个饱和值 |
| B.b光的波长大于c光的波长 |
| C.a光与c光的光照强度相同 |
| D.当开关断开时,电流表的示数为零 |

| A.用紫外线照射锌板,验电器指针会发生偏转 |
| B.用红光照射锌板,验电器指针会发生偏转 |
| C.锌板带的是负电荷 |
| D.使验电器指针发生偏转的是正电荷 |

可能没有粒子逸出,D正确;
,其中h为普朗克常量,则N个光子的能量为
。








,可知入射光的频率不同时,电子的最大初动能不同,又

不同时,截止电压
不同,A项正确;
图像的斜率
无关,B项错误;
可知,光电子的最大初动能与入射光的光照强度无关,D项错误.
时,可能入射光频率仍然大于截止频率,还可以发生光电效应,D错误。
,其中
为带电微粒的振动频率,h为普朗克常量,故C正确。
,可知a光的频率最大,c光的频率最小;由乙图可知a光的饱和光电流最小,c光的饱和光电流最大,光强大小无法判定,故AB错误;
,可知色光a产生照射时,光电子的初动能最大,故D正确。
,则有

越大,n越小,在未发生光电效应前,即光源频率小于阴极K的截止频率时,回路中没有光电流产生,故B正确,ACD错误。
及动能定理
,得


可知,c光子比b光子的能量大,选项A错误,B正确;


;(3)R = 100 m. 



R = 100 m